金年会机械,量身定制,为你而来

套外圆面

套外圆面

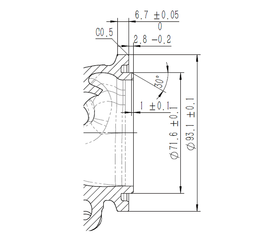
汽车涡轮增压壳体

零件材质:高温铸钢

加工内容:套镗φ93.1、 φ71.6

加工设备:立式加工中心

切削参数:Vc=60~90m/min

被加工部位 / Machining parts

被加工部位

加工刀具 / tool

被加工部位

技术参数 / Technical parameters

技术参数

技术参数

技术参数

技术参数

全国服务热线

400-029-2733